手机网站
English
首页
关于我们
公司简介
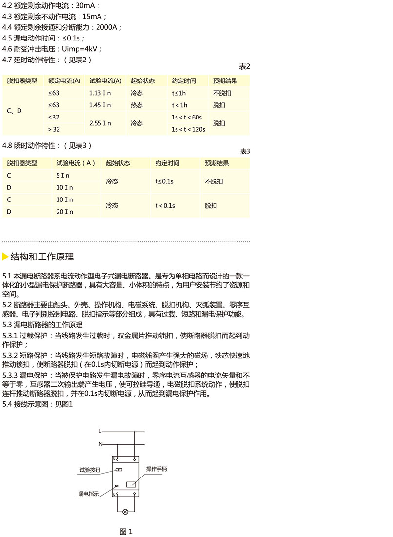
企业文化
人才理念
资质荣誉
新闻资讯
公司新闻
技术支持
常见问题
产品中心
典范工程
服务承诺
资料下载
联系我们
+ 更多
日用通用产品中心
广东珠江电气
小型断路器
小型漏电断路器
电涌保护器
导轨式插座
塑壳断路器
塑壳漏电断路器
电源控制类产品
地面插座
双电源自动转换开关
交流接触器
隔离式刀开关系列
万能式断路器
电气火灾监控报警系统
家居多媒体箱
照明配电箱
高低压成套开关设备
电力母线槽
广州仪表厂
单相电度表
机械式电度表
电子式电度表
IC卡预付费表
复费率表
多功能表
数显式电流表
数显式电压表
互感器
无功功率补偿器
ABB电气
小型断路器
剩余电流保护断路器
塑壳断路器
电涌保护器
交流接触器
上海正旦地板插
弹起式地面插座
开启式地面插座
螺旋式地面插座
产品展示
首页
-
产品中心
-
广东珠江电气 -
小型漏电断路器
DZ30LE-63/1P+N C16A
所属分类:
小型漏电断路器
编号:
型号:
价格:
厂商:广东珠江电力设备有限公司
打印当前页
放入收藏夹
上一个:DZ47LE-63/2P C63A
下一个:DZ47LE-63/1P+N C20A
产品详情
同类产品
DZ47-63/1P C16A
DZ30-32/1P+N C10A
DZ47-63/2P C63A
DZ47-63/3P C63A
DZ47-63/4P C32A
DZ47-63/1P D10A
DZ47-63/2P D32A
DZ47-63/3P D25A
DZ47-63/4P D16A
DZ47-125/2P D100A
DZ47-125/3P D125A
DZ47-125/4P D80A
DZ47LE-63/2P C63A
DZ30LE-63/1P+N C16A
DZ47LE-63/1P+N C20A
DZ47LE-63/3P+N C32A
DZ47LE-63/3P+N C63A
DZ47LE-63/4P C32A
FID-63/2P 63A
FID-63/4P 63A
DZ47LE-125/2P D100
DZ47LE-125/3P+N D100
DZ47LE-125/4P D125
LB1-20 3P+N 20kA
LB1-20 1P 20kA
LB1-20 2P 20kA
LB1-40 2P 40kA
LB1-60 2P 60kA
LB1-80 2P 80kA
LB1-100 2P 100kA
LB1-40 3P 40kA
LB1-40 3P+N 40kA
LB1-60 3P+N 60kA
LB1-80 3P+N 80kA
LB1-100 3P+N 100kA
LB1-25B 一级防雷
AC30模数化插座
GZM1-125/3300 3P 100A
GZM10-100/3300 3P 100A
GZM10-250/3300 3P 200A
GZM10-400/3300 3P 400A
GZM10-630/3300 3P 630A
DZ20Y-100/3300 3P 80A
DZ20Y-225/3300 3P 225A
DZ20Y-400/3300 3P 400A
DZ20Y-630/3300 3P 630A
DZ20C-160/3300 3P 160A
DZ20C-250/3300 3P 250A
GZM1-63/3300 3P 63A
GZM1-250/3300 3P 250A
GZM1-400/3300 3P 400A
GZM1-630 3P/3300 630A
GZM1-125/4300 4P 100A
GZM1-250/4300 4P 250A
GZM1-400/4300 4P 400A
GZM1-630/4300 4P 630A
GZM1LE-125/4300 4P 100A
DZ15LE-40/2901 40A
DZ15LE-40/3901 40A
DZ15LE-40/4901 40A
DZ15LE-100/2901 100A
DZ15LE-100/3901 100A
DZ15LE-100/4901 100A
DZ20LE-160/4300 4P 100A
DZ20LE-250/4300 4P 250A
DZ20LE-400/4300 4P 400A
DZ20LE-630/4300 4P 630A
GZM1LE-125/4300 4P 100A 改进型
GZM1LE-250/4300 4P 250A
GZM1LE-400/4300 4P 400A
GZM1LE-630/4300 4P 630A
iCMV-63/2P 63A
iCMV-63/4P 63A
72×72 多功能仪表
时控开关KG316T
金色弹起式二三插
不锈钢弹起式二三插
拉丝弹起式二三插
金色阻尼二三插
金色螺旋式二三插
金色双弹起式二三插
金色弹起式电话+电脑
不锈钢弹起式一位电脑
金色阻尼一位电视
拉丝弹起式一位电话
FATSNA-63 4P 63A
FATSNA-63 2P 63A
FATSNA-100/4P 100A
FATSNA-250/4P 160A
FATSNA-250/4P 200A
FATSNA-250/4P 250A
CJX2系列交流接触器
GCT系列模数化交流接触器
ZGL系列负荷隔离开关
HL30-125系列小型隔离开关
GW1系列智能型万能式断路器(抽屉式)
GW1系列智能型万能式断路器(固定式)
AFD2-D系列剩余电流式火灾监控探测器 多功能型
AFD2-X系列剩余电流式火灾监控探测器 分体导轨式
AFD1系列剩余电流式火灾监控探测器 一体式
AFD5系列剩余电流零序互感器圆形(Y型)
AFD5系列剩余电流零序互感器圆形(F型)
智能家居多媒体箱
多媒体集线箱
智能家居多媒体箱
TYBR6-12B
配电箱+断路器已接线
TD28等电位联结端子箱
TD28等电位联结端子箱
TYBR1-16B
TYBR1-16T
TYBR1-24B
TYBR5-12B
TYBR5-16B
TYBR5-16T
TYBR6-12T
电表箱
配电箱
TYBR2-10
TYBR2-20
GCK型低压抽出式开关设备
MNS型低压抽出式开关设备
GCS型低压抽出式开关设备
GGD型低压固定式开关设备
GGJ型无功功率补偿装置
XL-21型低压动力配电柜
KYN28-12系列铠装移开式交流金属开关设备
XGN15-12系列交流金属环网开关设备
HXGN-12系列交流高压真空环网柜
SRM-12/24系列全绝缘全封闭充气式金属开关设备
DFW-12系列户外高压电缆分支箱
YBM(P)12/0.4系列箱式变电站
MX-I型配电箱
XM型配电箱
空气加强绝缘型母线槽
空气型母线槽
密集型母线槽
空气绝缘型母线槽
耐火母线槽
LDMS母线槽
耐火封闭母线槽
空气绝缘型母线槽
DD862单相电度表
DD862系列单相电能表
DD862系列单相电能表(透明外壳)
DD7666型长寿命单相电能表
DDS5588型单相电子式电能表
DS862三相四线有功电能表
DT862三相四线有功电能表
DT864三相四线有功电能表
DDS3015型单相电子式电能表
DDS3015型单相电子式电能表
DDS309单相电子式电能表(计度器显示)
DDS309单相电子式电能表(液晶显示)
DTS3015型三相四线电子式有功电能表
DDS309-D电子式三相导轨电能表(带RS485接口)
DTS3015三相四线导轨式电能表
DDS3015单相导轨式电能表
DTS309电子式三相四线有功电能表
DTS309电子式三相四线有功电能表(带RS485接口)
DTS309电子式三相四线有功电能表(计度器显示)
DTS3015型三相四线电子式有功电能表
DDSY3015型单相智能蓝牙电能表
DTSY3015型三相智能电能表(蓝牙扫码)
DDSY309-G型单相电子式预付费共用表
DDSY309-G型单相电子式预付费共用表(导轨式)
DDSY3015型单相电子式预付费电能表
DDSY309型单相电子式预付费电能表(LED显示)
DDSY309型单相电子式预付费电能表(带RS485接口)
DTSY309-G三相四线电子式预付费电能表(导轨式)
DTSY309型三相四线电子式预付费电能表(带RS485接口)
DTSY3015型三相四线电子式预付费电能表
DTSY309-G三相四线电子式预付费公用表
DTSF309三相四线复费率电能表
DTSF309三相四线复费率电能表(带RS485接口)
DTSD309三相四线多功能电能表(简易多功能)
DTSD309三相四线多功能电能表(全功能)
DTZ309三相四线费控电能表智能电能表
HW194E-2SY三相四线液晶多功能表
HQ194I-2X4数显三相电流表
HQ194U-2X4数显三相电压表
BH型-D电流互感器
BH型-S电流互感器
LMZ1-0.66型电流互感器
LMZJ1-0.5型电流互感器
JKW-2系列三相共补型无功功率补偿控制器
S264小型断路器
S263小型断路器
S262小型断路器
S261小型断路器
DS253漏电断路器
GS264漏电断路器
GS262漏电断路器
S5N400塑壳断路器
S3N250-3P断路器
OVR3N浪涌保护器
A30交流接触器
RVC补尝器
双联二三+三三弹起式
电视+万用地面插座
DHT-120F一位双音频插座一位视频插座一位卡浓(针式)插座
DHT-120F一位三相四线插座
圆形二位15针弹起式
圆形三电话弹起式
圆形三三弹起式
DHT-120F一位安普数据插板一位三极插座
DHT-120F一位15针插座(针式)二位6.35话筒插座三位音、视频插座
DHT-120F一位15针插座(孔式)一位多功能插座
DHT-120F四位6.35话筒插座二位音频插座
DHT-120F三位音、视频插二位6.35话筒插一位五芯电脑插座
DHT-120F三位朗讯数据插板
DHT-120F三位卡浓(针式)插座
DHT-120F三位安普数据插板
DHT-120F二位视频插座一位麦克风插座
JLT-702K
DHK-180F六位多功能插座
DHK-150Y二位多功能插座
DHK-145F 86型连面板
DHK-127F四位朗讯插座
DHK-127F二位电话插座
DHK-110Y一位多功能插座(118型)
DHK-110Y二位二极插座
DHL-130Y一位二极插座一位二极带接地插座
DHL-130Y四位朗讯数据插板
DHL-130Y二位多功能插座
DHL-110Y一位双音频插座一位麦克风插座
DHL-110Y二位朗讯数据插座
DHL-110Y二位二极插座